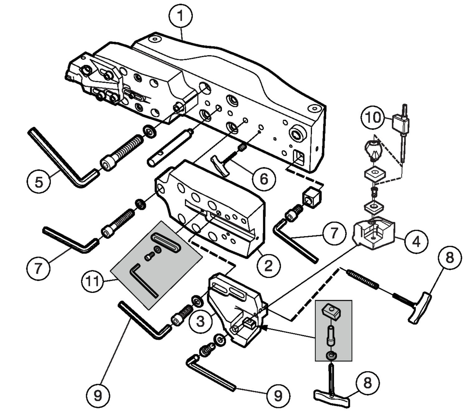
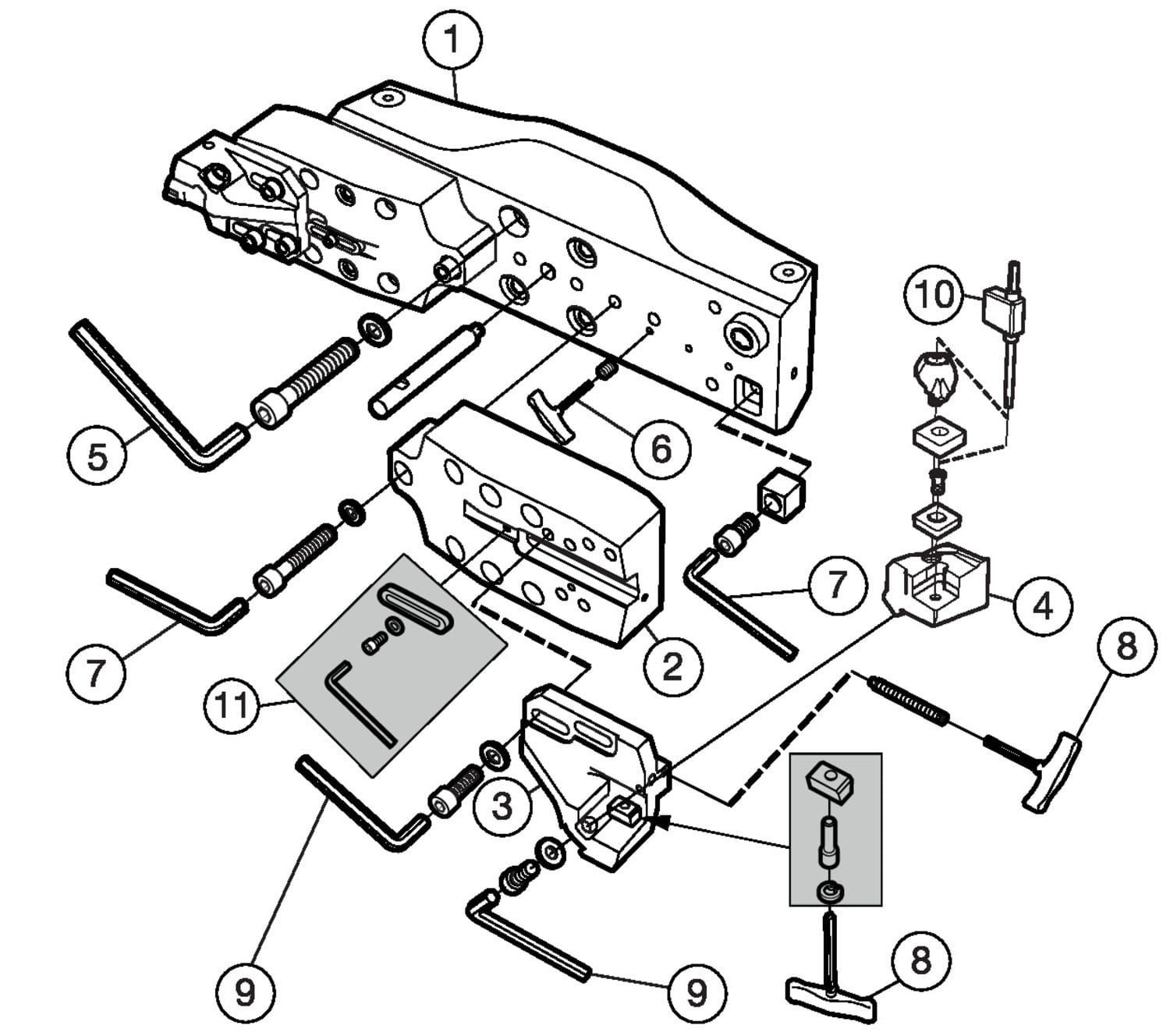
CoroBore® 820 XL, narzędzie do wytaczania zgrubnego 820-780TC22 ID:6352122 Sandvik
Cena regularna:
Cena regularna:
towar niedostępny
dodaj do przechowalni
Opis
CoroBore® 820 XL, narzędzie do wytaczania zgrubnego

| Podstawowe informacje | |
|---|---|
| Product Description - Pl-Pl | CoroBore® 820 XL, narzędzie do wytaczania zgrubnego |
| Rodzina produktów | 2022 |
| Product Subfamily Code (Tsyc) | 820..TC (XL-EXT) |
| Rodzina produktów | System Products |
| Country Of Origin | CH |
| Wymiary | |
| Średnica skrawania | 21.1811 inch |
| Średnica skrawania | 538 mm |
| Dconms Connection Diameter | 1.5748 inch |
| Dconms Connection Diameter | 40 mm |
| Średnica skrawania | 30.7087 inch |
| Średnica skrawania | 780 mm |
| Lf Functional Length | 7.79528 inch |
| Lf Functional Length | 198 mm |
| Oah Overall Height | 6.45669 inch |
| Oah Overall Height | 164 mm |
| Waga | 55.4463 lb |
| Waga | 25.15 g |
| Parametry techniczne | |
| Adintms Adaptive Interface Machine Direction | CoroBore XL Arbor -metric: 40X |
| Adjlx Maximum Adjustment Limit | 4.76378 inch |
| Adjlx Maximum Adjustment Limit | 121 mm |
| Bmc Body Material Code | Steel and aluminium |
| Cnsc Coolant Entry Style Code | 1: axial concentric entry |
| Cutint Master Part 2 Of Cutting Item Interface Identifiers | TCMT 220408 |
| Dpc Damping Property | no |
| Kapr Tool Cutting Edge Angle | 90 deg |
| Inne parametry | |
| Ean Number | 26352122 |