CoroBore® 825, wytaczadło wykończeniowe 825-107TC11-C5 ID:6352218 Sandvik
Cena regularna:
Cena regularna:
towar niedostępny
dodaj do przechowalni
Opis
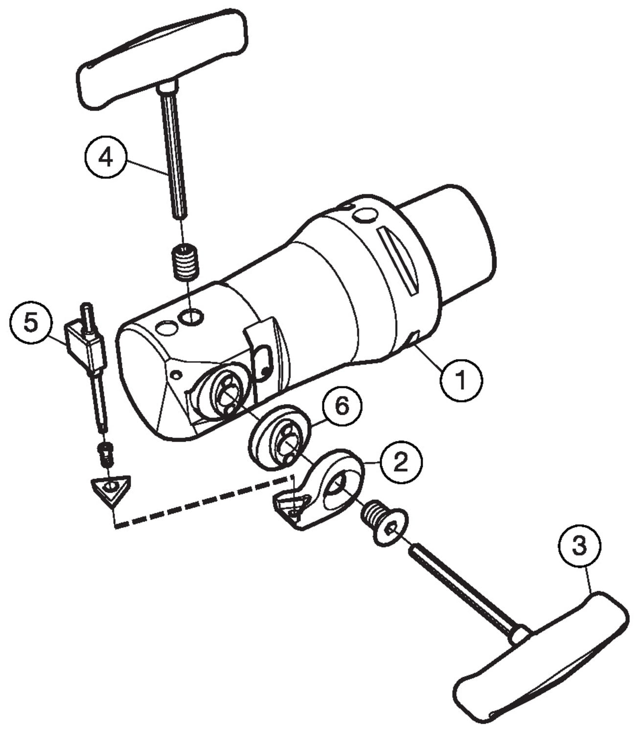
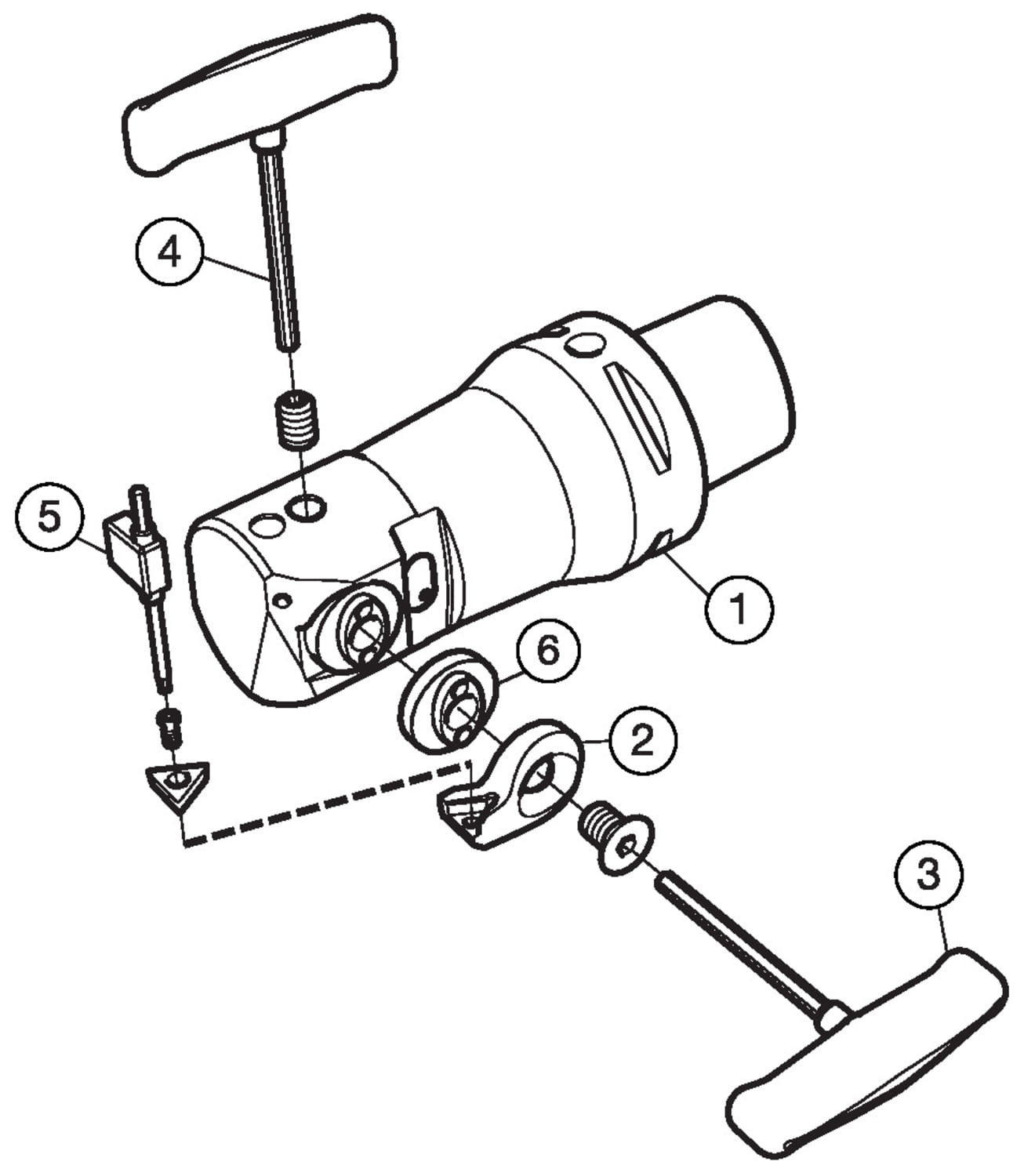
CoroBore® 825, wytaczadło wykończeniowe

| Podstawowe informacje | |
|---|---|
| Product Description - Pl-Pl | CoroBore® 825, wytaczadło wykończeniowe |
| Rodzina produktów | 1129 |
| Product Subfamily Code (Tsyc) | 825..TC-Cx (1) |
| Rodzina produktów | System Products |
| Country Of Origin | DE |
| Wymiary | |
| Średnica skrawania | 3.38583 inch |
| Średnica skrawania | 86 mm |
| Dconms Connection Diameter | 1.9685 inch |
| Dconms Connection Diameter | 50 mm |
| Średnica skrawania | 4.2126 inch |
| Średnica skrawania | 107 mm |
| Lf Functional Length | 2.99213 inch |
| Lf Functional Length | 76 mm |
| Waga | 4.91852 lb |
| Waga | 2.231 g |
| Parametry techniczne | |
| Adintms Adaptive Interface Machine Direction | Coromant Capto (bolt and segment clamping) -size C5 |
| Adjlx Maximum Adjustment Limit | 0.413386 inch |
| Adjlx Maximum Adjustment Limit | 10.5 mm |
| Bmc Body Material Code | Steel |
| Cnsc Coolant Entry Style Code | 3: axial concentric and radial entry |
| Cutint Master Part 2 Of Cutting Item Interface Identifiers | TCMT 110304 (RE<0.4) |
| Dcp Data Chip Provision | no |
| Dpc Damping Property | no |
| Kapr Tool Cutting Edge Angle | 92 deg |
| Stdno Standard Number | ISO26623-1 |
| Inne parametry | |
| Ean Number | 26352218 |