CoroBore® 825, wytaczadło wykończeniowe 825-45TC09-C3 ID:6352210 Sandvik
Cena regularna:
Cena regularna:
towar niedostępny
dodaj do przechowalni
Opis
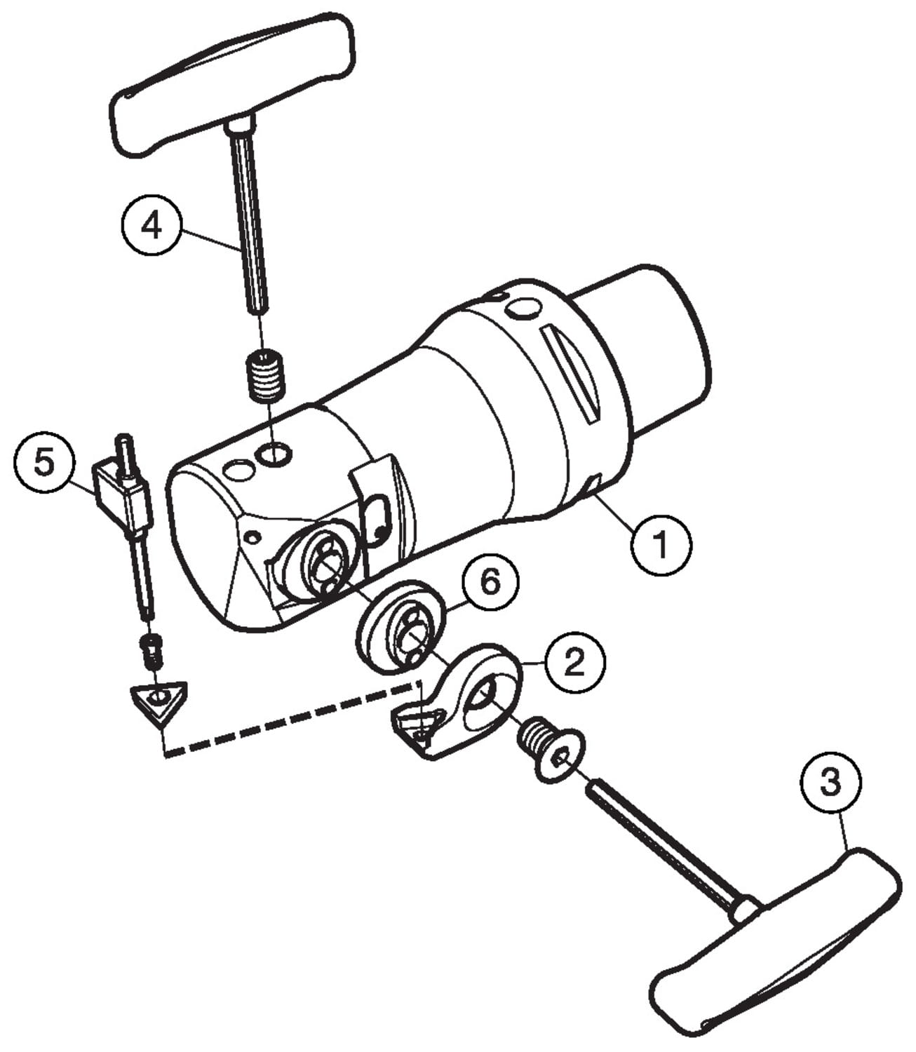
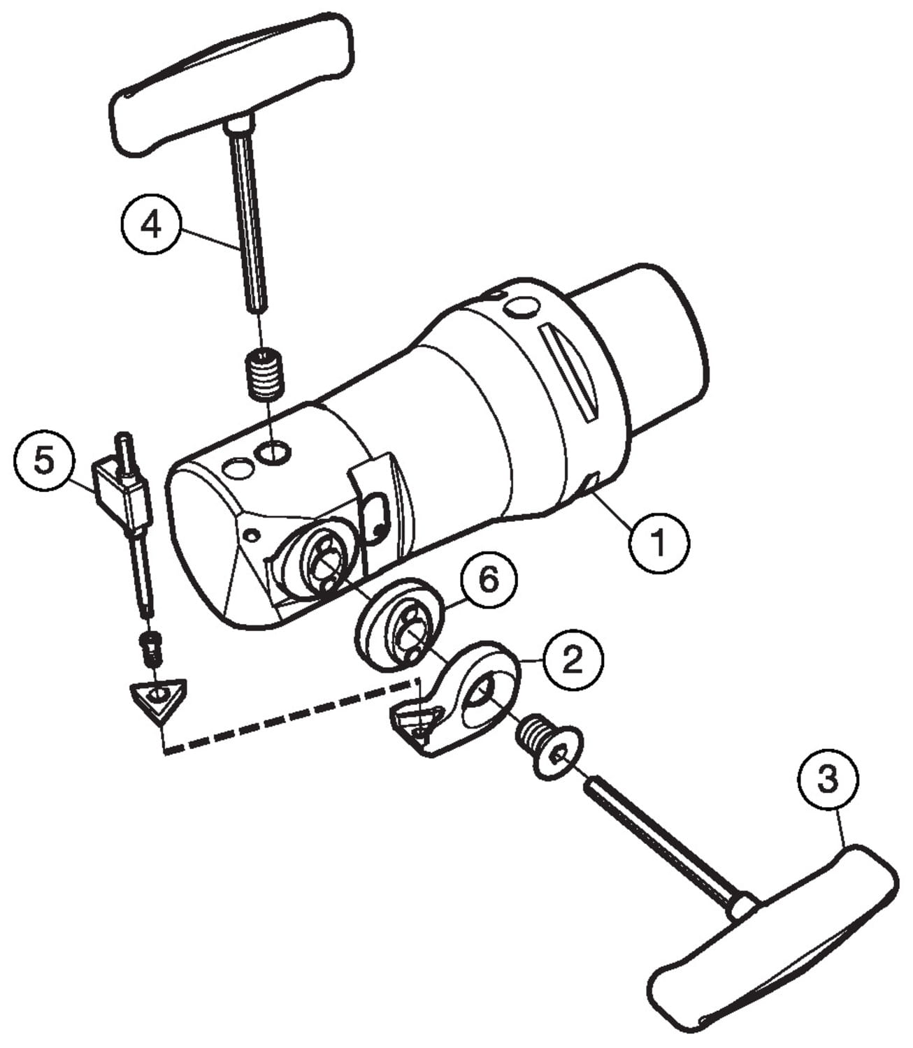
CoroBore® 825, wytaczadło wykończeniowe

| Podstawowe informacje | |
|---|---|
| Product Description - Pl-Pl | CoroBore® 825, wytaczadło wykończeniowe |
| Rodzina produktów | 1129 |
| Product Subfamily Code (Tsyc) | 825..TC-Cx (1) |
| Rodzina produktów | System Products |
| Country Of Origin | DE |
| Wymiary | |
| Średnica skrawania | 1.37795 inch |
| Średnica skrawania | 35 mm |
| Dconms Connection Diameter | 1.25984 inch |
| Dconms Connection Diameter | 32 mm |
| Średnica skrawania | 1.77165 inch |
| Średnica skrawania | 45 mm |
| Lf Functional Length | 1.88976 inch |
| Lf Functional Length | 48 mm |
| Waga | 1.29698 lb |
| Waga | 588.3 g |
| Parametry techniczne | |
| Adintms Adaptive Interface Machine Direction | Coromant Capto (bolt and segment clamping) -size C3 |
| Adjlx Maximum Adjustment Limit | 0.19685 inch |
| Adjlx Maximum Adjustment Limit | 5 mm |
| Bmc Body Material Code | Steel |
| Cnsc Coolant Entry Style Code | 3: axial concentric and radial entry |
| Cutint Master Part 2 Of Cutting Item Interface Identifiers | TCMT 090204 (RE<0.4) |
| Dcp Data Chip Provision | no |
| Dpc Damping Property | no |
| Kapr Tool Cutting Edge Angle | 92 deg |
| Stdno Standard Number | ISO26623-1 |
| Inne parametry | |
| Ean Number | 26352210 |