CoroBore® 825 XL, lekkie narzędzie do wytaczania wykończeniowego 825L-215TC11 ID:6424034 Sandvik
Cena regularna:
Cena regularna:
towar niedostępny
dodaj do przechowalni
Opis
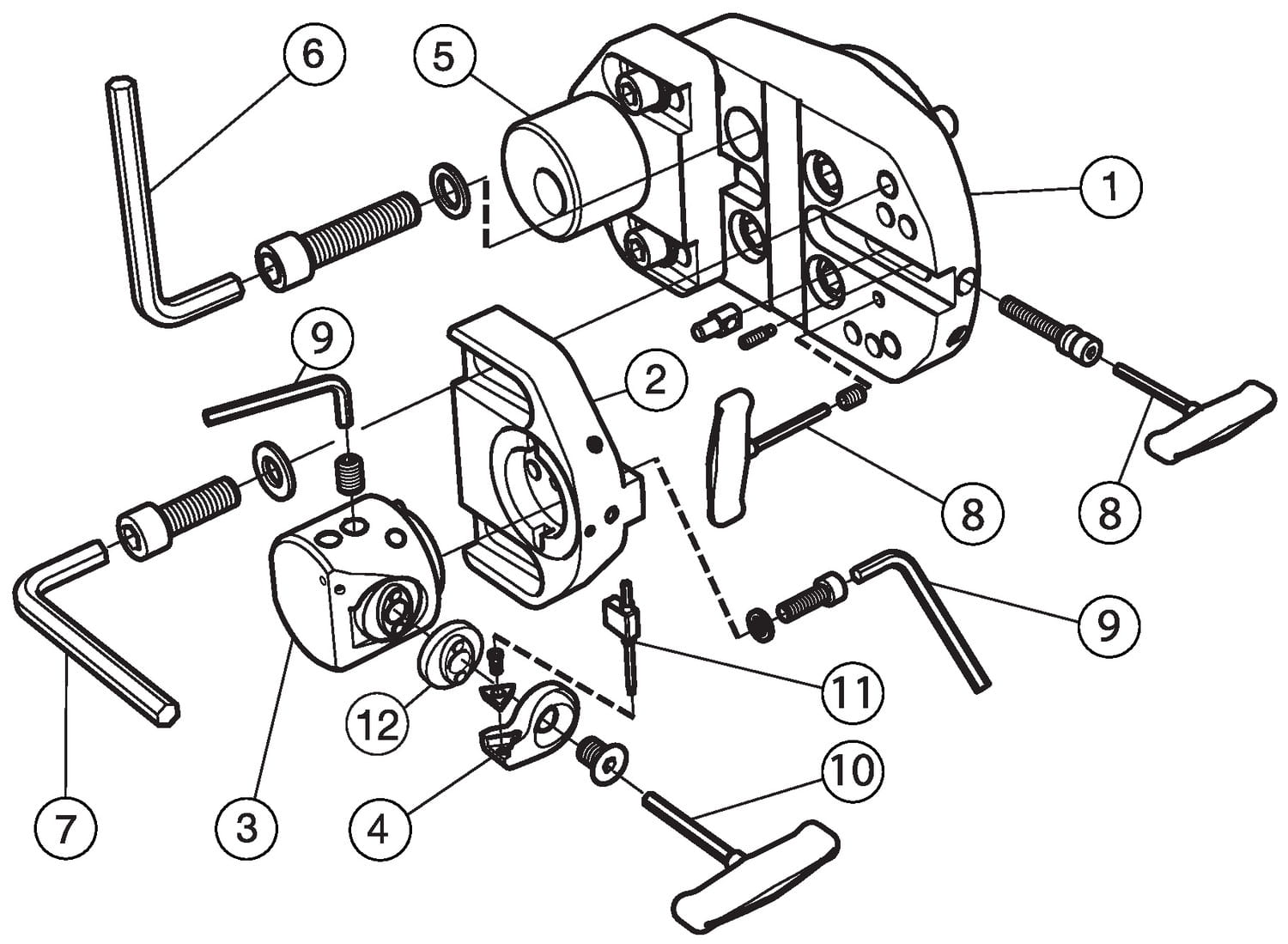
CoroBore® 825 XL, lekkie narzędzie do wytaczania wykończeniowego

| Podstawowe informacje | |
|---|---|
| Product Description - Pl-Pl | CoroBore® 825 XL, lekkie narzędzie do wytaczania wykończeniowego |
| Rodzina produktów | 2022 |
| Product Subfamily Code (Tsyc) | 825L..TC (XL) |
| Rodzina produktów | System Products |
| Country Of Origin | DE |
| Wymiary | |
| Średnica skrawania | 5.82677 inch |
| Średnica skrawania | 148 mm |
| Dconms Connection Diameter | 1.5748 inch |
| Dconms Connection Diameter | 40 mm |
| Średnica skrawania | 8.46457 inch |
| Średnica skrawania | 215 mm |
| Lf Functional Length | 4.33071 inch |
| Lf Functional Length | 110 mm |
| Oah Overall Height | 4.09449 inch |
| Oah Overall Height | 104 mm |
| Waga | 9.81058 lb |
| Waga | 4.45 g |
| Parametry techniczne | |
| Adintms Adaptive Interface Machine Direction | Arbor -ISO 6462 -C (4 bolts) -metric: 40S |
| Adjlx Maximum Adjustment Limit | 1.3189 inch |
| Adjlx Maximum Adjustment Limit | 33.5 mm |
| Bmc Body Material Code | Steel and aluminium |
| Cnsc Coolant Entry Style Code | 1: axial concentric entry |
| Cutint Master Part 2 Of Cutting Item Interface Identifiers | TCMT 110304 (RE<0.4) |
| Dpc Damping Property | no |
| Kapr Tool Cutting Edge Angle | 92 deg |
| Stdno Standard Number | ISO6462 |
| Inne parametry | |
| Ean Number | 26424034 |