CoroBore® 825 XL, wytaczadło wykończeniowe 825-215TC11-C6 ID:6352238 Sandvik
Cena regularna:
Cena regularna:
towar niedostępny
dodaj do przechowalni
Opis
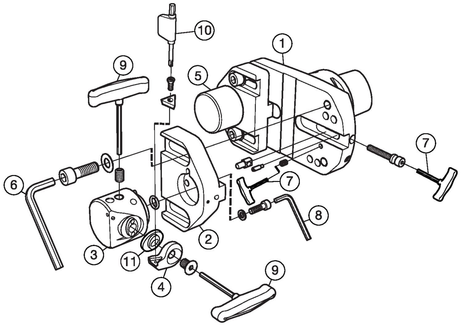
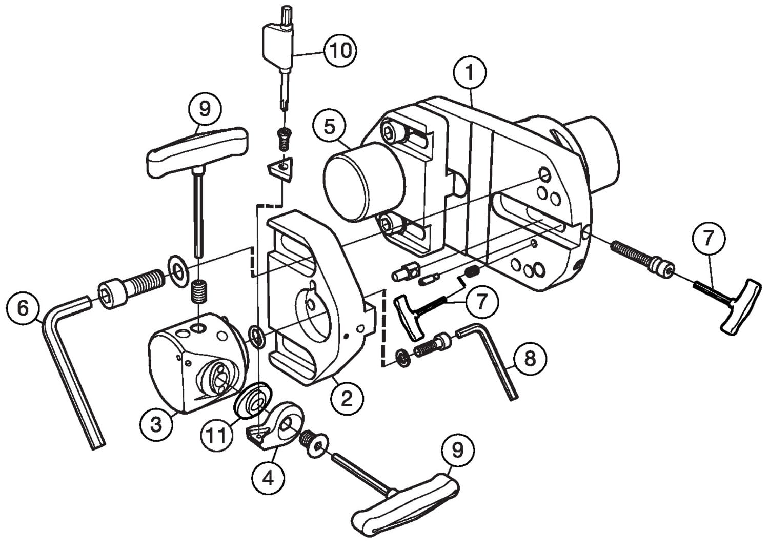
CoroBore® 825 XL, wytaczadło wykończeniowe

| Podstawowe informacje | |
|---|---|
| Product Description - Pl-Pl | CoroBore® 825 XL, wytaczadło wykończeniowe |
| Rodzina produktów | 2022 |
| Product Subfamily Code (Tsyc) | 825..TC-Cx (XL) |
| Rodzina produktów | System Products |
| Country Of Origin | DE |
| Wymiary | |
| Średnica skrawania | 5.82677 inch |
| Średnica skrawania | 148 mm |
| Dconms Connection Diameter | 2.48031 inch |
| Dconms Connection Diameter | 63 mm |
| Średnica skrawania | 8.46457 inch |
| Średnica skrawania | 215 mm |
| Lf Functional Length | 4.64567 inch |
| Lf Functional Length | 118 mm |
| Oah Overall Height | 4.09449 inch |
| Oah Overall Height | 104 mm |
| Waga | 9.99577 lb |
| Waga | 4.534 g |
| Parametry techniczne | |
| Adintms Adaptive Interface Machine Direction | Coromant Capto (bolt and segment clamping) -size C6 |
| Adjlx Maximum Adjustment Limit | 1.3189 inch |
| Adjlx Maximum Adjustment Limit | 33.5 mm |
| Bmc Body Material Code | Steel and aluminium |
| Cnsc Coolant Entry Style Code | 3: axial concentric and radial entry |
| Cutint Master Part 2 Of Cutting Item Interface Identifiers | TCMT 110304 (RE<0.4) |
| Dcp Data Chip Provision | no |
| Dpc Damping Property | no |
| Kapr Tool Cutting Edge Angle | 92 deg |
| Stdno Standard Number | ISO26623-1 |
| Inne parametry | |
| Ean Number | 26352238 |