CoroBore® 826 XL, wytaczadło wykończeniowe 826-1267TC11HP ID:7866387 Sandvik
Cena regularna:
Cena regularna:
towar niedostępny
dodaj do przechowalni
Opis
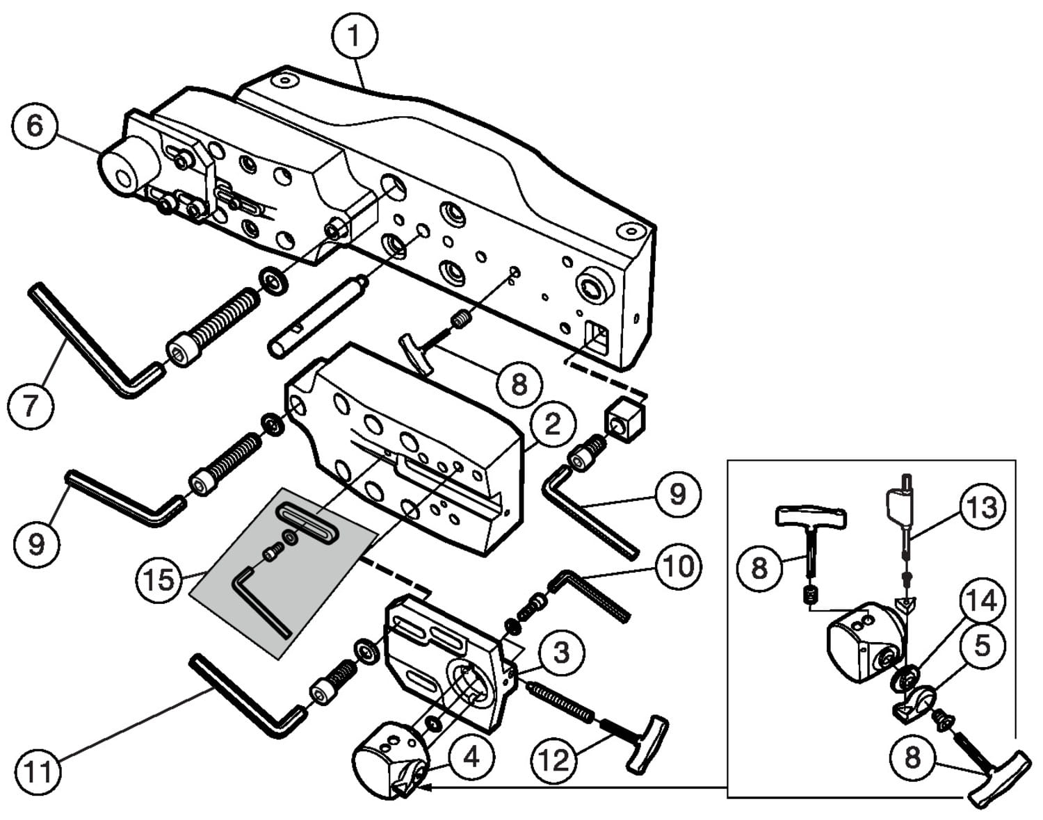
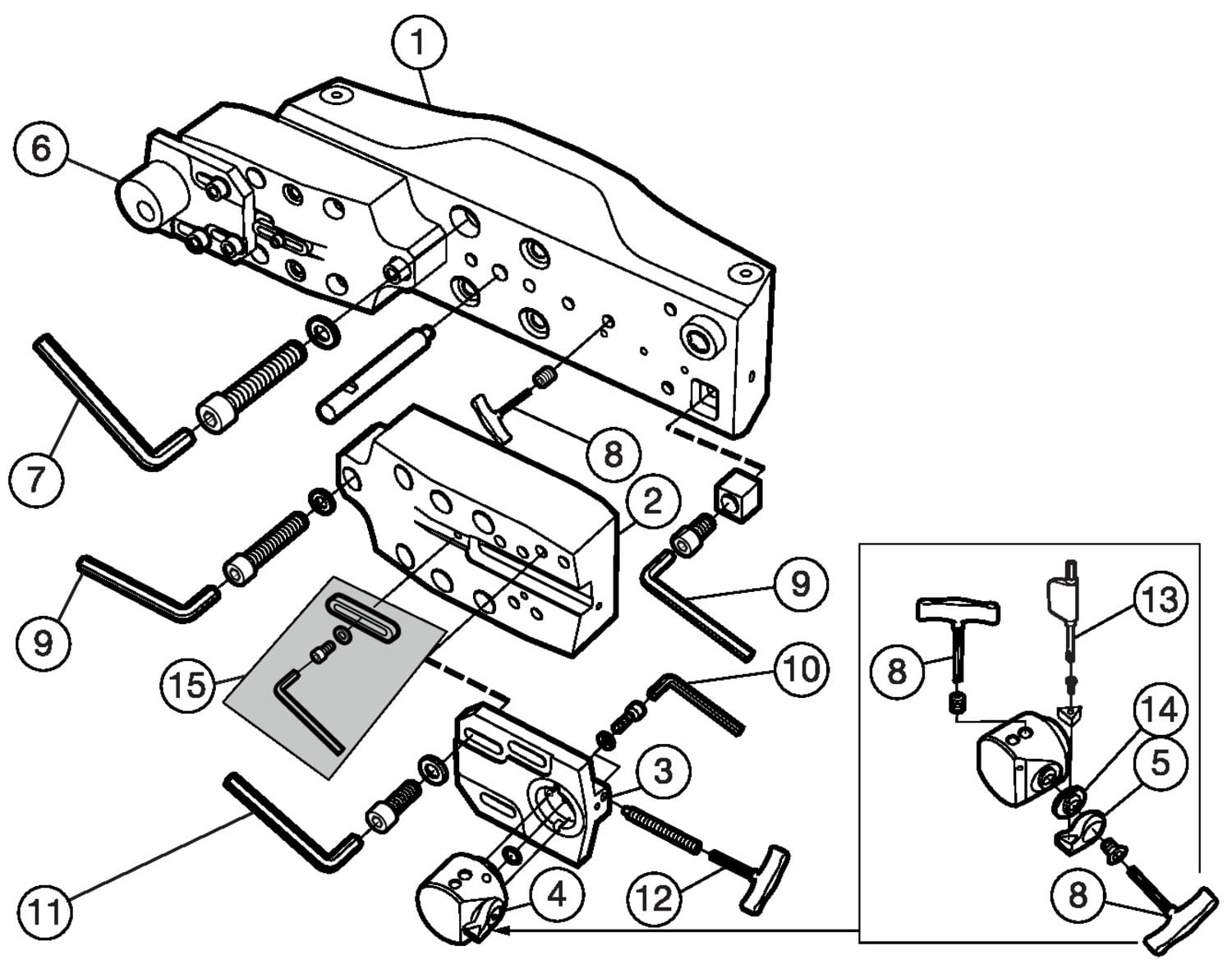
CoroBore® 826 XL, wytaczadło wykończeniowe

| Podstawowe informacje | |
|---|---|
| Product Description - Pl-Pl | CoroBore® 826 XL, wytaczadło wykończeniowe |
| Rodzina produktów | 2076 |
| Product Subfamily Code (Tsyc) | 826..TC (XL-EXT) |
| Rodzina produktów | System Products |
| Country Of Origin | NL |
| Wymiary | |
| Średnica skrawania | 40.3287 inch |
| Średnica skrawania | 1024.35 mm |
| Dconms Connection Diameter | 1.5748 inch |
| Dconms Connection Diameter | 40 mm |
| Średnica skrawania | 49.9075 inch |
| Średnica skrawania | 1267.65 mm |
| Lf Functional Length | 8.85827 inch |
| Lf Functional Length | 225 mm |
| Oah Overall Height | 6.45669 inch |
| Oah Overall Height | 164 mm |
| Waga | 97.246 lb |
| Waga | 44.11 g |
| Parametry techniczne | |
| Adintms Adaptive Interface Machine Direction | CoroBore XL Arbor -metric: 40X |
| Adjlx Maximum Adjustment Limit | 4.78937 inch |
| Adjlx Maximum Adjustment Limit | 121.65 mm |
| Bmc Body Material Code | Steel and aluminium |
| Cnsc Coolant Entry Style Code | 1: axial concentric entry |
| Cutint Master Part 2 Of Cutting Item Interface Identifiers | TCMT 110304 (RE<0.4) |
| Dpc Damping Property | no |
| Kapr Tool Cutting Edge Angle | 92 deg |
| Inne parametry | |
| Ean Number | 7323225078924 |