CoroBore® 826 XL, wytaczadło wykończeniowe 826-307TC11-C8HP ID:7866453 Sandvik
Cena regularna:
Cena regularna:
towar niedostępny
dodaj do przechowalni
Opis
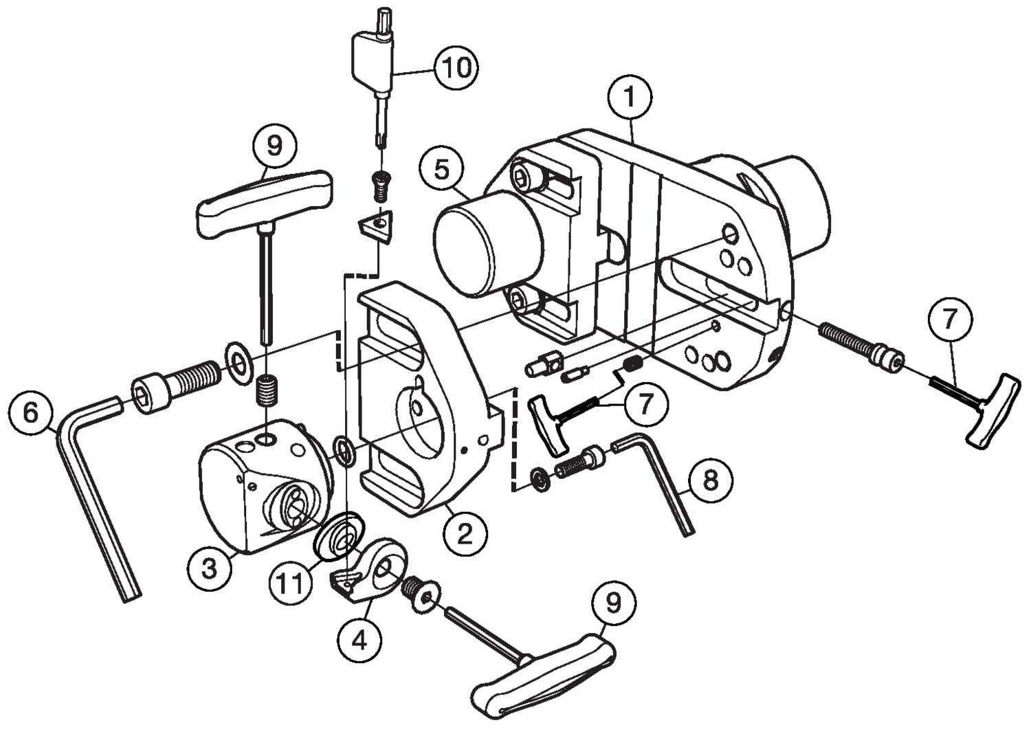
CoroBore® 826 XL, wytaczadło wykończeniowe

| Podstawowe informacje | |
|---|---|
| Product Description - Pl-Pl | CoroBore® 826 XL, wytaczadło wykończeniowe |
| Rodzina produktów | 2076 |
| Product Subfamily Code (Tsyc) | 826..TC-Cx (XL) |
| Rodzina produktów | System Products |
| Country Of Origin | NL |
| Wymiary | |
| Średnica skrawania | 10.0138 inch |
| Średnica skrawania | 254.35 mm |
| Dconms Connection Diameter | 3.14961 inch |
| Dconms Connection Diameter | 80 mm |
| Średnica skrawania | 12.1122 inch |
| Średnica skrawania | 307.65 mm |
| Lf Functional Length | 5.3937 inch |
| Lf Functional Length | 137 mm |
| Oah Overall Height | 4.09449 inch |
| Oah Overall Height | 104 mm |
| Waga | 19.2243 lb |
| Waga | 8.72 g |
| Parametry techniczne | |
| Adintms Adaptive Interface Machine Direction | Coromant Capto (bolt and segment clamping) -size C8 |
| Adjlx Maximum Adjustment Limit | 1.04921 inch |
| Adjlx Maximum Adjustment Limit | 26.65 mm |
| Bmc Body Material Code | Steel and aluminium |
| Cnsc Coolant Entry Style Code | 3: axial concentric and radial entry |
| Cutint Master Part 2 Of Cutting Item Interface Identifiers | TCMT 110304 (RE<0.4) |
| Dcp Data Chip Provision | no |
| Dpc Damping Property | no |
| Kapr Tool Cutting Edge Angle | 92 deg |
| Stdno Standard Number | ISO26623-1 |
| Inne parametry | |
| Ean Number | 7323225078986 |