CoroBore® 826 XL, wytaczadło wykończeniowe 826D-207TC11HP ID:7866458 Sandvik
Cena regularna:
Cena regularna:
towar niedostępny
dodaj do przechowalni
Opis
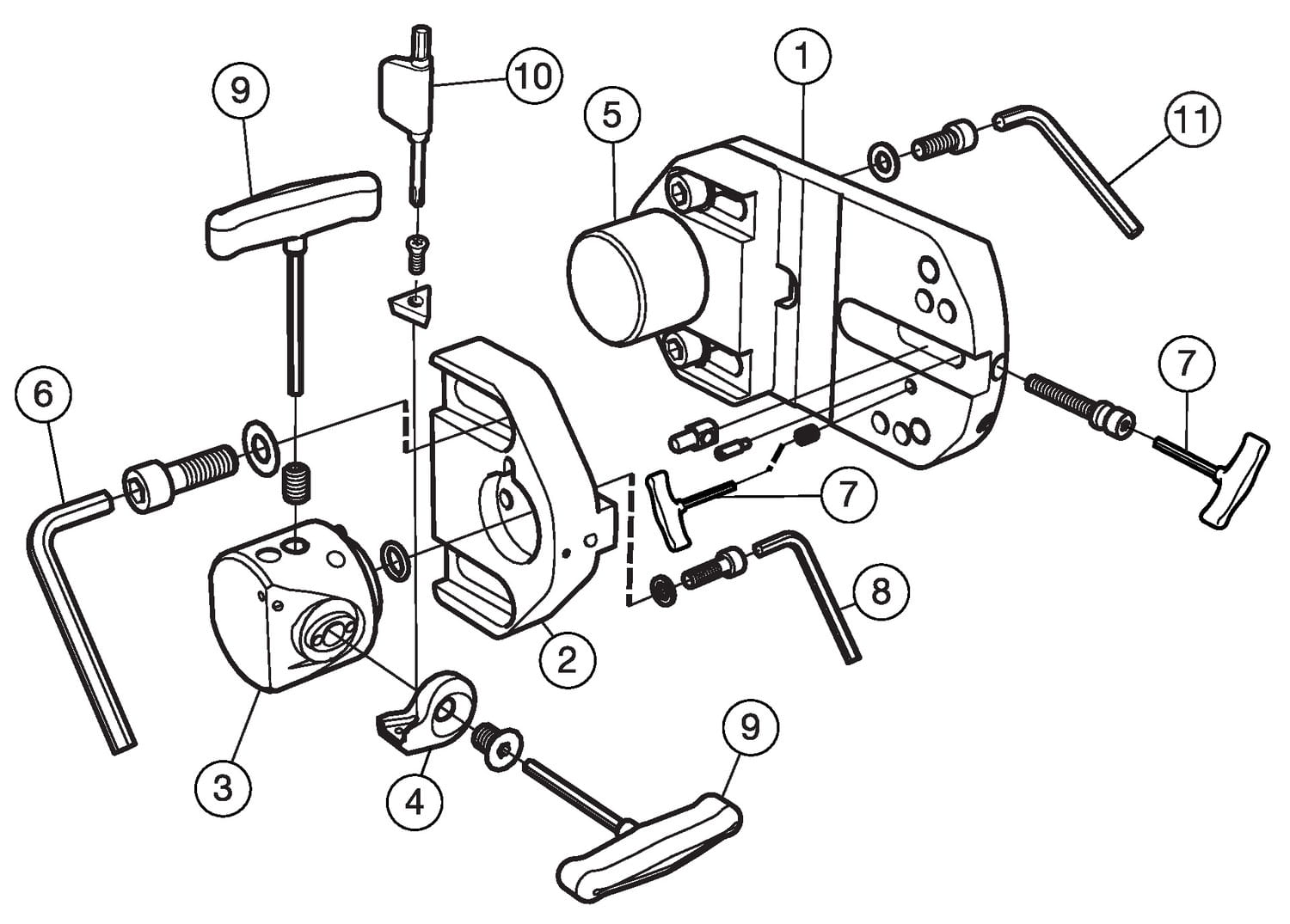
CoroBore® 826 XL, wytaczadło wykończeniowe

| Podstawowe informacje | |
|---|---|
| Product Description - Pl-Pl | CoroBore® 826 XL, wytaczadło wykończeniowe |
| Rodzina produktów | 2076 |
| Product Subfamily Code (Tsyc) | 826D..TC (XL) |
| Rodzina produktów | System Products |
| Country Of Origin | NL |
| Wymiary | |
| Średnica skrawania | 6.07677 inch |
| Średnica skrawania | 154.35 mm |
| Dconms Connection Diameter | 1.29921 inch |
| Dconms Connection Diameter | 33 mm |
| Średnica skrawania | 8.1752 inch |
| Średnica skrawania | 207.65 mm |
| Lf Functional Length | 3.8189 inch |
| Lf Functional Length | 97 mm |
| Oah Overall Height | 4.09449 inch |
| Oah Overall Height | 104 mm |
| Waga | 6.10681 lb |
| Waga | 2.77 g |
| Parametry techniczne | |
| Adintms Adaptive Interface Machine Direction | Boring arbor -2 key drives -metric: 33 |
| Adjlx Maximum Adjustment Limit | 1.04921 inch |
| Adjlx Maximum Adjustment Limit | 26.65 mm |
| Bmc Body Material Code | Steel and aluminium |
| Cnsc Coolant Entry Style Code | 1: axial concentric entry |
| Cutint Master Part 2 Of Cutting Item Interface Identifiers | TCMT 110304 (RE<0.4) |
| Dpc Damping Property | no |
| Kapr Tool Cutting Edge Angle | 92 deg |
| Inne parametry | |
| Ean Number | 7323225079037 |