CoroDrill® 880, wiertło na płytki wymienne 880-D0660LX50-04 ID:6660366 Sandvik
Cena regularna:
Cena regularna:
towar niedostępny
dodaj do przechowalni
Opis
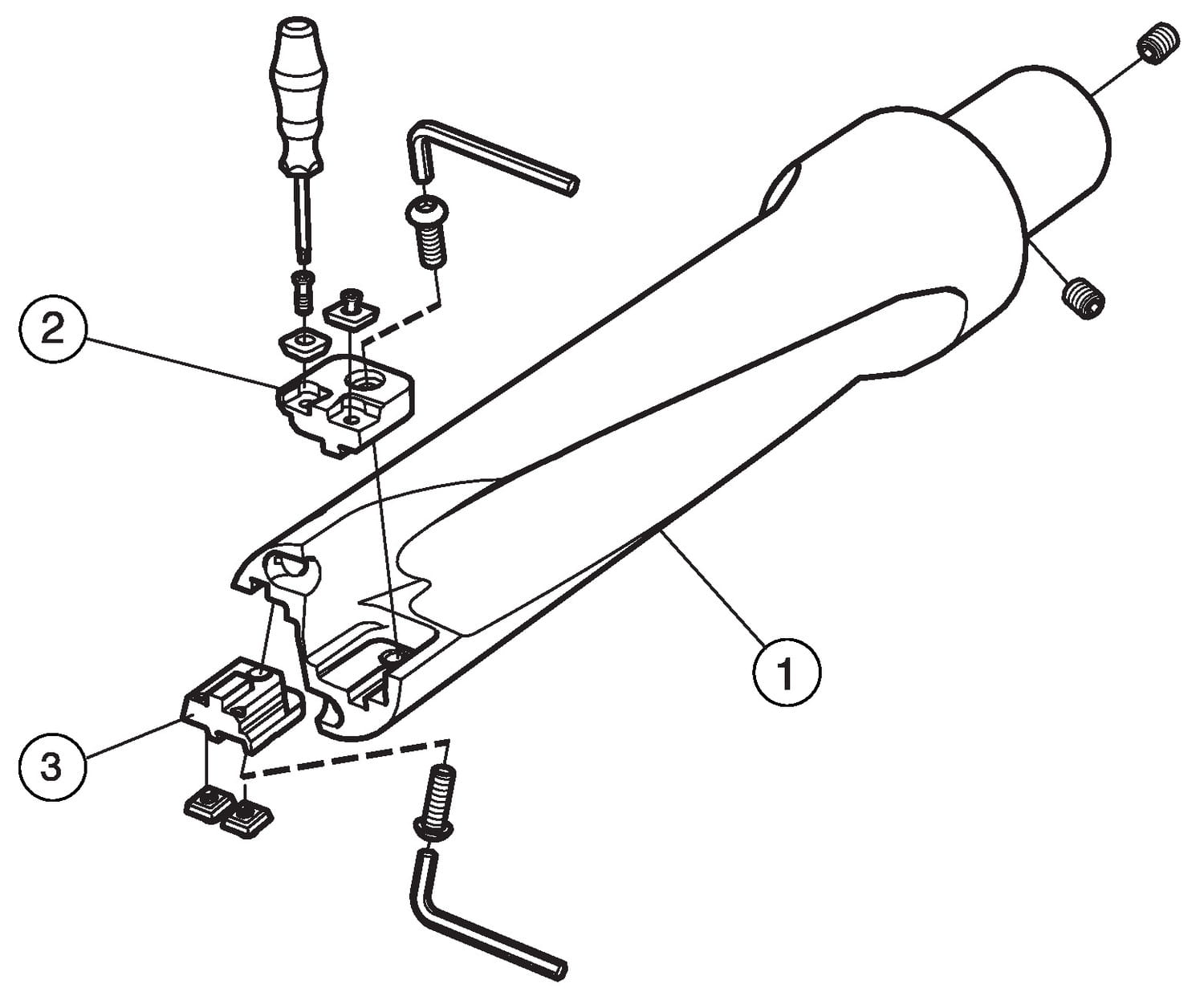
CoroDrill® 880, wiertło na płytki wymienne

| Podstawowe informacje | |
|---|---|
| Product Description - Pl-Pl | CoroDrill® 880, wiertło na płytki wymienne |
| Rodzina produktów | 2013 |
| Product Subfamily Code (Tsyc) | 880-D..LXxx-04 |
| Rodzina produktów | Carriers for Concept Inserts |
| Country Of Origin | US |
| Wymiary | |
| Średnica skrawania | 2.59843 inch |
| Średnica skrawania | 66 mm |
| Dconms Connection Diameter | 2 inch |
| Dconms Connection Diameter | 50.8 mm |
| Lf Functional Length | 13.5709 inch |
| Lf Functional Length | 344.7 mm |
| Lu Usable Length | 10.4449 inch |
| Lu Usable Length | 265.3 mm |
| Długość całkowita | 16.7717 inch |
| Długość całkowita | 426 mm |
| Uldr Usable Length Diameter Ratio | 4.0197 |
| Waga | 17.4165 lb |
| Waga | 7.9 g |
| Parametry techniczne | |
| Adintms Adaptive Interface Machine Direction | Cylindrical shank (ISO9766 drill shank) -inch: 2 |
| Adjlx Maximum Adjustment Limit | 0 inch |
| Adjlx Maximum Adjustment Limit | 0 mm |
| Cnsc Coolant Entry Style Code | 1: axial concentric entry |
| Kapr Tool Cutting Edge Angle | 88 deg |
| Rpmx Rotational Speed Maximum | 5000 1/min |
| Inne parametry | |
| Ean Number | 26660366 |