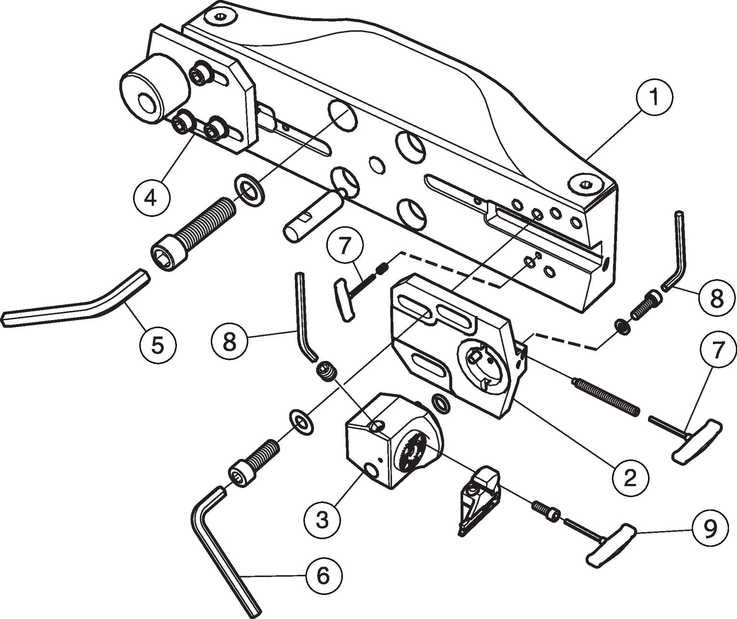
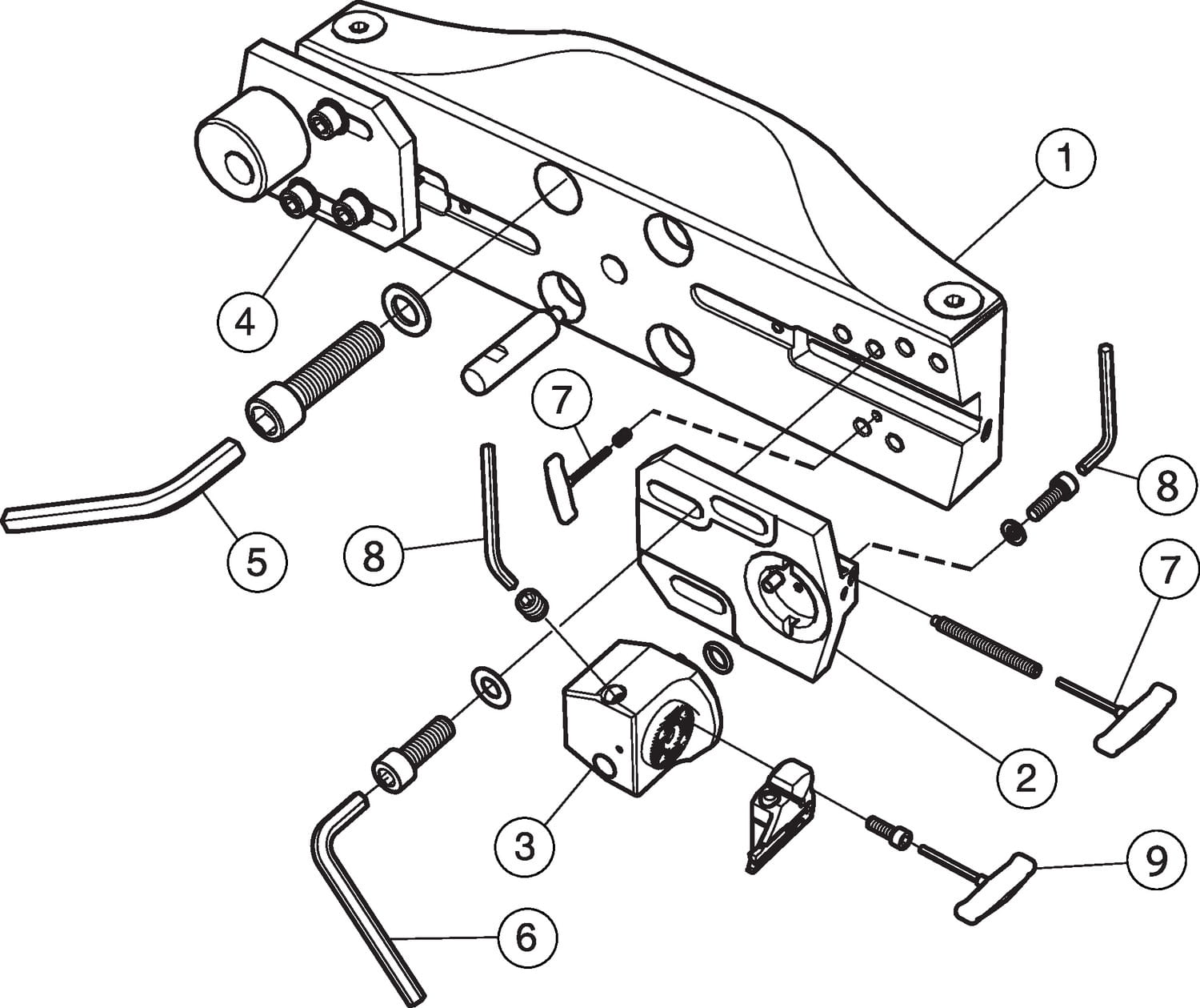
Nastawny adapter ze złącza trzpieniowego na złącze CoroTurn SL® 825-395SL32 ID:6415727 Sandvik
Cena regularna:
Cena regularna:
towar niedostępny
dodaj do przechowalni
Opis
Nastawny adapter ze złącza trzpieniowego na złącze CoroTurn SL®

| Podstawowe informacje | |
|---|---|
| Product Description - Pl-Pl | Nastawny adapter ze złącza trzpieniowego na złącze CoroTurn SL® |
| Rodzina produktów | 2022 |
| Product Subfamily Code (Tsyc) | 825..SL (XL) |
| Rodzina produktów | System Products |
| Country Of Origin | SG |
| Wymiary | |
| Dconws Connection Diameter | 1.25984 inch |
| Dconws Connection Diameter | 32 mm |
| Lf Functional Length | 3.77953 inch |
| Lf Functional Length | 96 mm |
| Oah Overall Height | 6.45669 inch |
| Oah Overall Height | 164 mm |
| Waga | 19.7975 lb |
| Waga | 8.98 g |
| Parametry techniczne | |
| Adintms Adaptive Interface Machine Direction | CoroBore XL Arbor -metric: 40X |
| Adintws Adaptive Interface Workpiece Direction | SL (screw mounted) -straight -size 32 |
| Adjlx Maximum Adjustment Limit | 1.90945 inch |
| Adjlx Maximum Adjustment Limit | 48.5 mm |
| Cnsc Coolant Entry Style Code | 1: axial concentric entry |
| Cxsc Coolant Exit Style Code | 2: radial exit |
| Inne parametry | |
| Ean Number | 26415727 |