Suwak do nastawnej oprawki do wierteł 393.277-2502085A ID:5760591 Sandvik
Cena regularna:
Cena regularna:
towar niedostępny
dodaj do przechowalni
Opis
Suwak do nastawnej oprawki do wierteł

| Podstawowe informacje | |
|---|---|
| Product Description - Pl-Pl | Suwak do nastawnej oprawki do wierteł |
| Rodzina produktów | 2099 |
| Product Subfamily Code (Tsyc) | 393.277 (A) |
| Rodzina produktów | Spares & Accessories |
| Country Of Origin | DE |
| Wymiary | |
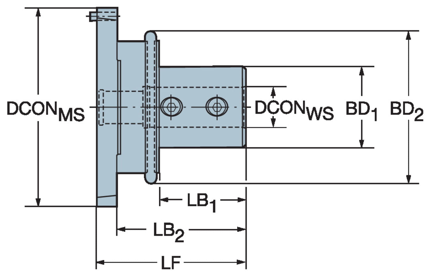
| Dconms Connection Diameter | 3.85827 inch |
| Dconms Connection Diameter | 98 mm |
| Dconws Connection Diameter | 0.984252 inch |
| Dconws Connection Diameter | 25 mm |
| Lf Functional Length | 3.34646 inch |
| Lf Functional Length | 85 mm |
| Waga | 2.86822 lb |
| Waga | 1.301 g |
| Parametry techniczne | |
| Adintms Adaptive Interface Machine Direction | Drill Slide -size 02 |
| Adintws Adaptive Interface Workpiece Direction | Cylindrical clamping (ISO9766 drill shank) -metric: 25 |
| Bmc Body Material Code | Steel |
| Cnsc Coolant Entry Style Code | 1: axial concentric entry |
| Cxsc Coolant Exit Style Code | 1: axial concentric exit |
| Dcp Data Chip Provision | no |
| Dpc Damping Property | no |
| Inne parametry | |
| Ean Number | 10916754 |