T-Max®, narzędzie tokarskie z chwytem tradycyjnym CRDNN3225P12-ID ID:5726142 Sandvik
Cena regularna:
Cena regularna:
towar niedostępny
dodaj do przechowalni
Opis
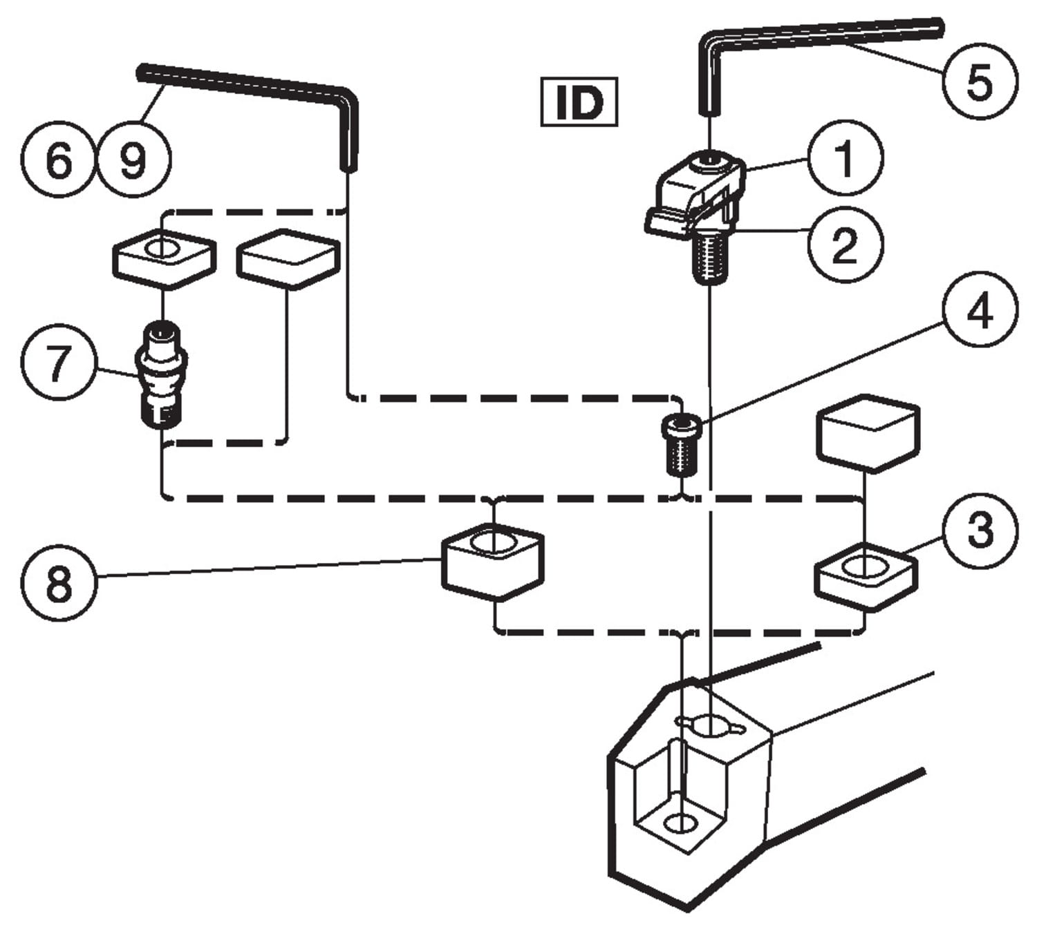
T-Max®, narzędzie tokarskie z chwytem tradycyjnym

| Podstawowe informacje | |
|---|---|
| Product Description - Pl-Pl | T-Max®, narzędzie tokarskie z chwytem tradycyjnym |
| Rodzina produktów | 1026 |
| Product Subfamily Code (Tsyc) | CRDNN |
| Rodzina produktów | Carriers for ISO Inserts |
| Country Of Origin | DE |
| Wymiary | |
| B Shank Width | 0.984252 inch |
| B Shank Width | 25 mm |
| H Shank Height | 1.25984 inch |
| H Shank Height | 32 mm |
| Lf Functional Length | 6.69291 inch |
| Lf Functional Length | 170 mm |
| Waga | 2.23549 lb |
| Waga | 1.014 g |
| Parametry techniczne | |
| Adintms Adaptive Interface Machine Direction | Rectangular shank -metric: 32 x 25 |
| Bams Machine Side Body Angle | 0 deg |
| Baws Workpiece Side Body Angle | 0 deg |
| Bmc Body Material Code | Steel |
| Cnsc Coolant Entry Style Code | 0: without coolant |
| Cutint Master Part 2 Of Cutting Item Interface Identifiers | inch RNGN 120700 |
| Cxsc Coolant Exit Style Code | 0: no coolant exit |
| Dpc Damping Property | no |
| Hand Hand | N |
| Ohx Maximum Overhang | 1.25984 inch |
| Ohx Maximum Overhang | 32 mm |
| Rmpx Maximum Ramping Angle | 0 deg |
| Inne parametry | |
| Ean Number | 10340422 |